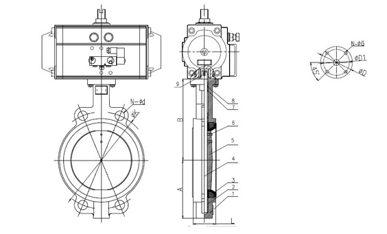
Válvula de mariposa neumática:
Diseño de válvula: API 609, MSS SP-67
Cara a cara: API 609, MSS SP-67, DIN3202, BS EN558-1
Prueba de presión: API 598
Perforación de brida: ANSI B16.1 clase125, BS4504 PN10 / PN16, DIN2501 PN10 / PN16
Brida superior: ISO5211
La brida lateral de la válvula se ajusta a una variedad de estándares nacionales y extranjeros de presiones múltiples, conexión fácil, amplia adaptabilidad.
ventas@bundorvalve.com
+86 185 2639 1339



